電解コンデンサー等を用いて抵抗分割による入力減衰を補う方法もありますが、時定数が発生する事、コンデンサーによる音質変化がありますので採用しませんでした。
その結果、最高のS/N比は得られませんでしたが、小出力のMCカートリッジでもノイズが聴こえ始める水準には十分に余裕がありましたので、そのままにしました。
入力換算ノイズ電圧の経験的最良値は−146dBV/Aカーブですが、本機では−140dBV/Aカーブです。
筆者設計の真空管MCヘッドアンプの入力換算ノイズ電圧は−130dBVで、ノイズはほとんど聴こえませんでしたので、十分な余裕があると思います。
音質的には真空管やFETが電界制御であるのに対し、TRは電流制御なので分解能が高く、原音に近い音質が得られたと思います。
基板のサイズはこのシリーズの中で最も多くの部品を搭載していますので、最大の寸法になりました。
2.ラインアンプの代わりの回路
回路検討中に初段をSRPP型にすると利得が高くなり過ぎて、利得が20dB前後のラインアンプやメインアンプはSRPPを生かした回路がほとんど設計不可能と考えられました。
その為、ラインアンプとメインアンプを統合して高利得メインアンプにする事にしました。
しかし、回路配置上の都合によりメインボリュームと高利得メインアンプの入力が離れています。
対策として、コンプリメンタリーのエミッターフォロアーを入れました。
ここでもTRは電源と同方向のバイアスですので、1段では入出力に電位差が発生しますので、2段にして電位差を打ち消すようにして、さらに素子選別をして入出力の電位差を極力ゼロになるようにしました。
また、当初は中レベル用のTRを用いたのですが、HIGH−hfe(400〜800)であった為か、動作不安定が見つかりました。
そこで電源ラインの高域インピーダンスを初段付近にもコンデンサーを追加して下げ、入力に微少容量をつけ、さらにhfeが200〜400のものに変更して安定化しました。
下記は改善後のものです。
@.回路図

PDFファイルをご覧になりたい方は
をクリックして下さい。
A.プリント基板部品面写真

B.プリント基板部品面図

PDFファイルをご覧になりたい方は
をクリックして下さい。
C.プリント基板銅箔面写真

D.プリント基板銅箔面図

PDFファイルをご覧になりたい方は
をクリックして下さい。
E.周波数特性

F.出力電圧対歪率特性

他の歪率特性図より、歪率の値が1桁低いので、ご注意ください。
☆.説明
入力端子に100kΩを接続し、その両端に現れる電圧がなるべく0mVに近くなるようにTR01とTR03のhfeを選別してください。
R−CHはTR02とTR04です。
次に入力端子をショートして出力端子に現れる電圧がなるべく0mVに近くなるようにTR05とTR07のhfeを選別してください。
R−CHはTR06とTR08です。
NPNとPNPのhfeを同等にしても発生電圧は0mVに近くなりません。
部品面写真を参考にしてください。
もし、マルチアンプを作る場合は、この出力の後にチャンネルディバイダーを入れて、高利得メインアンプ(例えば42.5dB)を接続してください。
3.高利得ダーリントン3段型メインアンプ
パワーTRとして2SA1386Aと2SC3519AのPランクまたはYランクを使ってきましたが、通常店舗では入手が不可能となり、代替を探したところ、2SA1294と2SC3263のYランクが入手可能と分かりました。
メーカーは同じサンケン電気で、特性はhfeが低い以外は同等のようです。
また、デジタルテスターでhfeを測定し、差が10以内で組み合せましたところ下記のデータを得ました。
実は、以前の回路でも、hfe差を10以内にして組み合せると同様の結果が出たのです。
@.回路図

PDFファイルをご覧になりたい方は
をクリックして下さい。
A.プリント基板部品面写真

B.プリント基板部品面図

PDFファイルをご覧になりたい方は
をクリックして下さい。
C.プリント基板銅箔面写真

D.プリント基板銅箔面図

PDFファイルをご覧になりたい方は
をクリックして下さい。
E.周波数特性

F.出力電力対歪率特性

☆.説明
初段FE型と同様ですが、ラインアンプと統合する高利得メインアンプにする事にしました。
入力端子に増幅初段の入力電流の差が現れまして、NPNとPNPのhfe選別を必要としますが、選別だけでは差を小さくする事が困難です。
さらに小さくするには半固定VRを用いる方法が有力でしたが、今までは裏配線で接続をしてきました。
今回はこのシリーズの最後と言う事もあり、配置と配線を正規化しました。
調整の方法ですが、先ず入力端子に100kΩを接続します。
念のため、パワーTRやドライブTRに接続している±36Vの配線を外します。
次に半固定VRを中点付近にして、初段TRのhfe選別で入力に現れる電圧をなるべく小さくします。
次に半固定VRを調整して±0mVを目指します。
実際の使用経験からすると、あまり神経質にならなくても、いわゆるガリオームなどになる弊害はないようです。
また、当試作では、放熱器の変更による、温度上昇のさらなる改善をしていまして、今回はその第2試作です。
定格の1/8出力と言う規定の測定方法で、パワーTRの締め付け部分の表面温度は約90℃になりました。
筐体の下部、基板の放熱器搭載部分、上下分離のシールド板に適宜通風口を開ければさらに温度が下がるのではないかと思います。
本シリーズでは筐体の内部に放熱器を置いていますので、大出力中でも放熱器に直接触れる事はありません。
本機、本シリーズの欠点は起動に時間がかかる事です。
特に本機では部品のバラツキなどにより、音が出てくる迄の時間が1分を超えてしまいました。
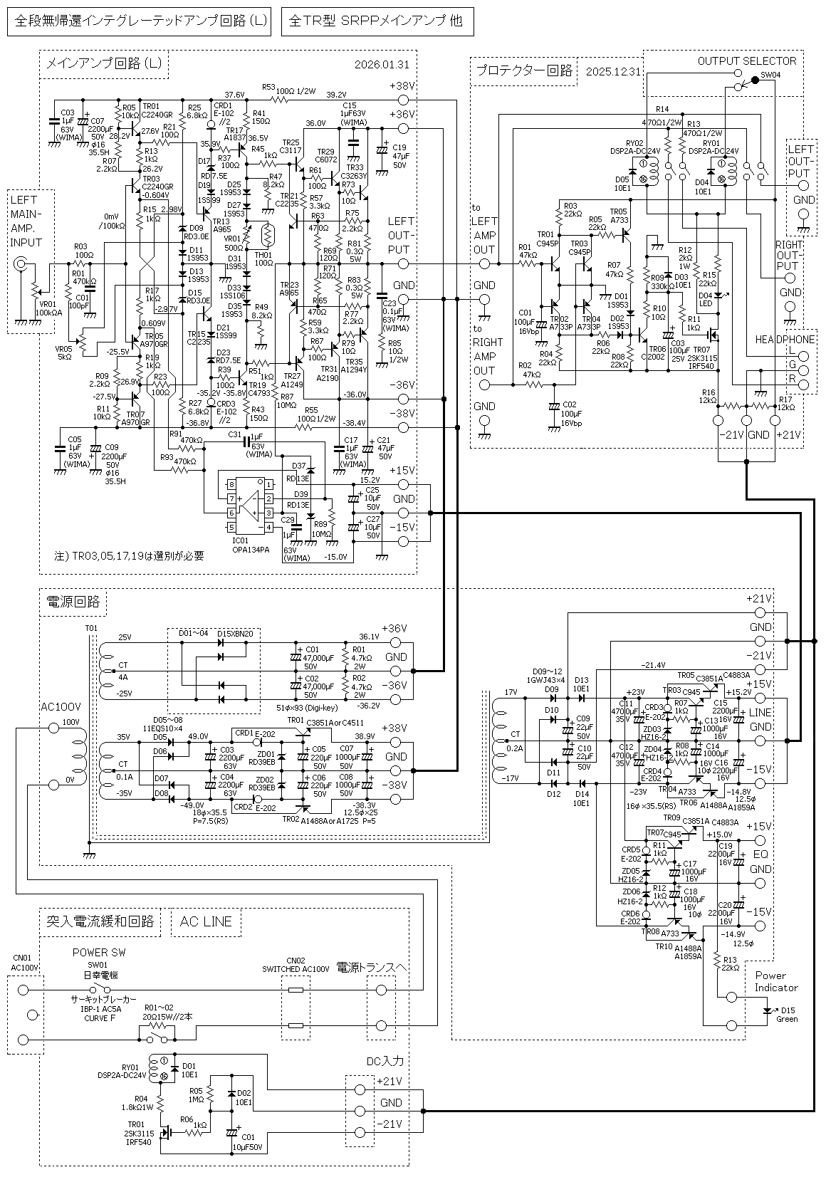
4.全体回路図
回路が膨大な為、プリアンプ他とメインアンプ他の2つに分けました。
さらにA4に印刷する場合、印刷倍率100%で端が欠ないようにしましたが、もし、欠ける場合はフチなし全面印刷とか印刷倍率の低減を適宜採用してください。
@.全TR型SRPPプリアンプ他

PDFファイルをご覧になりたい方は
をクリックして下さい。
A.全TR型型SRPPメインアンプ他

PDFファイルをご覧になりたい方は
をクリックして下さい。
5.試聴
いわゆる良い音を超えた音、器楽では生に近い、臨場感あふれる音、声楽では語りかけてくるような、心にしみてくるような音(声)が聴こえてきたと思います。
冷たい金属筐体に囲まれた半導体アンプと言う無機質の物体からこのような音(声)が出てくるとは思いもよりませんでした。
全半導体で、無帰還で、上下対称で、最初の思考から6年近い歳月がかかりましたが、満足できる結果になったと思います。
☆.以下、シリーズ内共通の項目について記載します。
6.電源回路
機器全体に電源を供給します。前テーマ用と同じです。
特徴としては、アイドリング電流の安定化の為にメインアンプの増幅段用の電源を安定化電源にした事、プリアンプ用の電源のリップルを極限まで減らす工夫をしている事です。
@.回路図

PDFファイルをご覧になりたい方は
をクリックして下さい。
A.プリント基板部品面写真

B.プリント基板部品面図

PDFファイルをご覧になりたい方は
をクリックして下さい。
C.プリント基板銅箔面写真

D.プリント基板銅箔面図

PDFファイルをご覧になりたい方は
をクリックして下さい。
7.プロテクター回路
メインアンプの出力がDC±600mV以上になった時に出力を開放します。
@.回路図

PDFファイルをご覧になりたい方は
をクリックして下さい。
A.プリント基板部品面写真

B.プリント基板部品面図

PDFファイルをご覧になりたい方は
をクリックして下さい。
C.プリント基板銅箔面写真

D.プリント基板銅箔面図

PDFファイルをご覧になりたい方は
をクリックして下さい。
8.突入電流緩和回路
電源トランスの1次側巻線抵抗が約1Ωなので、電源スイッチON時の突入電流が約100Aになります。
これを約10Aに抑え、約2秒後に全電圧がかかるようにする為の遅延回路です。
@.回路図

PDFファイルをご覧になりたい方は
をクリックして下さい。
A.プリント基板部品面写真

B.プリント基板部品面図

PDFファイルをご覧になりたい方は
をクリックして下さい。
C.プリント基板銅箔面写真

D.プリント基板銅箔面図

PDFファイルをご覧になりたい方は
をクリックして下さい。
9.上下分離用シールド板
L−CH用とR−CH用の2枚で、板厚は各々2mmです。
@.L−CH用

PDFファイルをご覧になりたい方は
をクリックして下さい。
A.R−CH用

PDFファイルをご覧になりたい方は
をクリックして下さい。
以上
このページのトップへ戻りたい方はここをクリックして下さい。
トップページ(目次)へ戻りたい方はここをクリックして下さい。